Aprašymas
Lauko plieninės durys NBT56-07, antracitas
Plieninės lauko durys NBT56-07 – praktiškas ir universalus durų sprendimas techninėms patalpoms, sandėliams, garažams, katilinėms ar ūkinėms patalpoms. Durys pasižymi tvirta plieno konstrukcija, geru šilumos izoliavimo rodikliu (~1,6 W/m²K) ir klasikinėmis antracito spalvos detalėmis, todėl puikiai dera prie modernių bei industriškų pastatų.
NBT56-07 modelis – tai aukštos kokybės durys už konkurencingą kainą, skirtos tiek naujai statybai, tiek renovacijoms.
Matmenys ir konstrukcija
- Matmenys (išorinis): 880/980 mm (plotis) × 2080 mm (aukštis)
- Varčia: plieninė, užpildyta polistirenu
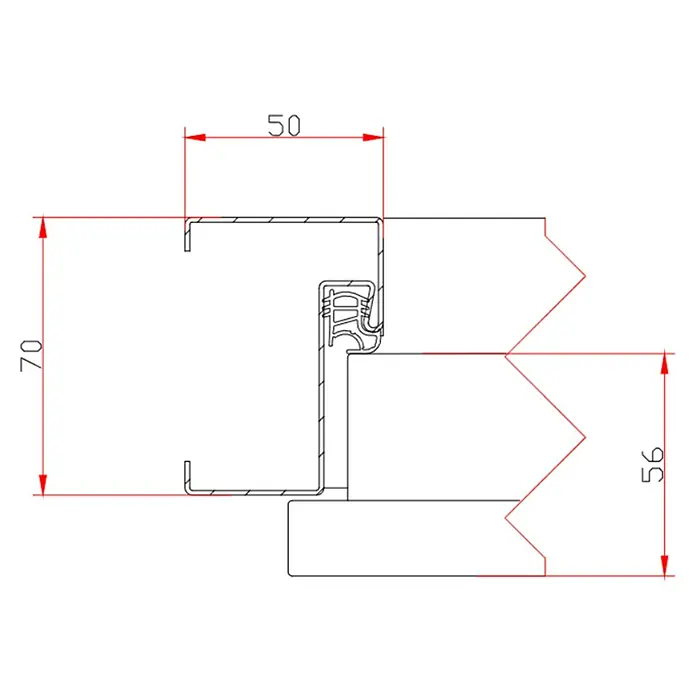
- Varčios storis: 56 mm
- Varčios plieno storis: 0,5 mm
- Rėmas / stakta: plieninė, pilna konstrukcija
- Staktos storis: 70 mm
- Staktos plotis: 50 mm
- Staktos plieno storis: 1,2 mm
- Vyriai: 2 reguliuojami
- Atidarymo kampas: iki 180°
- Spalva: antracitas
- Svoris: 25/29 kg
Šilumos izoliacija
Lauko plieninės durys NBT56-07 turi šilumos perdavimo koeficientą maždaug 1,6 W/m²K, todėl gerai izoliuoja šaltį ir tinkamos nešildomoms arba lengvai šildomoms zonoms. Dėl didesnės sandarumo paklausos – rekomenduojama virš durų montuoti stogelį nuo lietaus ir sniego.
Komplektacija
Į kainą įeina:
✔ Durų varčia
✔ Stakta (rėmas)
✔ 2 vyriai
Neįeina (užsakomi atskirai):
❌ Rankena
❌ Apyrakčiai
❌ Cilindrinis užraktas / cilindras
⚠️ Rankenos ir cilindro komplektai yra įsigyjami atskirai.
Saugumas ir patikimumas
Durys turi tvirtą plieninę konstrukciją ir sandarias tarpine, kuri padeda apsaugoti nuo nepageidaujamų įsilaužimų bei sumažina triukšmą. Konfigūracijai galima pasirinkti aukštesnės klasės cilindrus ir spynos mechanizmus, kurie padidins saugumo lygį.
Paskirtis ir naudojimas
Lauko plieninės durys NBT56-07 durys ypač tinka:
Sandėliams ir ūkinėms patalpoms
Garažams ir katilinėms
Techninėms erdvėms
Lauko / pagalbinio įėjimo vartams
⚠️ NBT56-07 modelis nėra specialiai projektuotas kaip pagrindinės gyvenamojo namo šiltos zonos įėjimo durys.
Kodėl verta rinktis šias duris?
✔ Tvirta, plieninė konstrukcija už prieinamą kainą
✔ Geras šilumos izoliacijos rodiklis (~1,6 W/m²K)
✔ Universali paskirtis – nuo garažo iki sandėlio
✔ Galimybė pasirinkti cilindrus ir furnitūrą pagal poreikį
✔ Lengvas montavimas ir derinimas prie fasado dizaino












